● 精度高、互绕小,抗偏载能力强;
● 容易安装,IP 66;
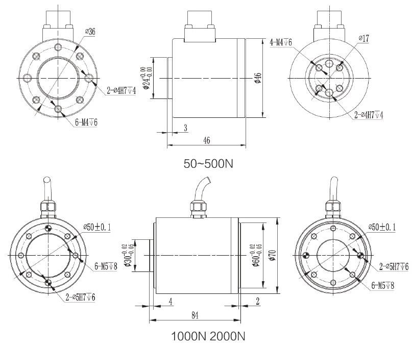
● 可定制规格;
● 机器手臂精密控制、曲面研磨抛光、加工中心精雕加工、医疗设备精密测
● 应用领域:汽车压装、自动化组装、3C产品测试、新能源产品组装、医疗检测、机器人领域、模具组装及其他工业测试、测量及控制系统

| 额定量程 | X:50/100/200/300/500/1000/2000 Y:50/100/200/300/500/1000/2000 Z:50/100/200/300/500/1000/2000/5000 | 绝缘电阻 | ≥5000MΩ/ 100VDC |
| 灵敏度 | ≈1.0 mV/V | 激励电压 | 5〜12 V |
| 零点平衡 | ±3% F.S. | 最大激励电压 | 15 V |
| 非线性 | 0.3%F.S. | 温度补偿范围 | -10~40℃ |
| 滞后误差 | 0.2%F.S. | 工作温度范围 | -20~75℃ |
| 重复性 | 0.2%F.S. | 安全负载 (E L) | 150% F.S. |
| 互扰误差 | 0.5%F.S. | 破坏负载 (E d) | 300%F.S. |
| 蠕变(30分钟) | 0.2%F.S. | 电缆线尺寸 | φ5x4000 mm |
| 温度对灵敏度漂移 | 0.1%F.S. / 10℃ | 材料 | |
| 温度对零点漂移 | 0.1%F.S. / 10℃ | 单件重量 (G) | |
| 输入电阻 | 350±10 Ω | 保护等级 | IP66 |
| 输出电阻 | 350±10 Ω |
受力方向 | 接线方式 |
![]() | ![]() |