● 精度高、互绕小,抗偏载能力强;
● 容易安装;
● 可定制规格;
● 机器手臂精密控制、曲面研磨抛光、加工中心精雕加工、医疗设备精密测
● 应用领域:汽车压装、自动化组装、3C产品测试、新能源产品组装、医疗检测、机器人领域、模具组装及其他工业测试、测量及控制系统

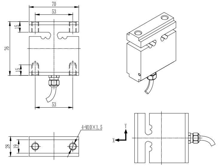
| 额定量程 | X:20/50/100/150/200N Y:20/50/100/150/200N | 绝缘电阻 | ≥5000 MΩ/ 100VDC |
| 灵敏度 | 1.1±0.1 mV/V(X向) 2.2±0.2 mV/V(Y向) | 激励电压 | 5V |
| 零点平衡 | ±0.5 F.S. | 最大激励电压 | 15 V |
| 非线性 | 0.05% F.S. | 温度补偿范围 | -10~40℃ |
| 滞后误差 | 0.05% F.S. | 工作温度范围 | -20~60℃ |
| 重复性 | 0.05% F.S. | 安全负载 (E L) | 150% F.S. |
| 蠕变(30分钟) | 0.05% F.S. | 破坏负载 (E d) | 200% F.S. |
| 温度对灵敏度漂移 | 0.05% F.S. / 10℃ | 线缆尺寸 | Φ6-4m |
| 温度对零点漂移 | 0.05% F.S. / 10℃ | 保护等级 | IP65 |
受力方向 | 接线方式 |
![]() | ![]() ![]() |