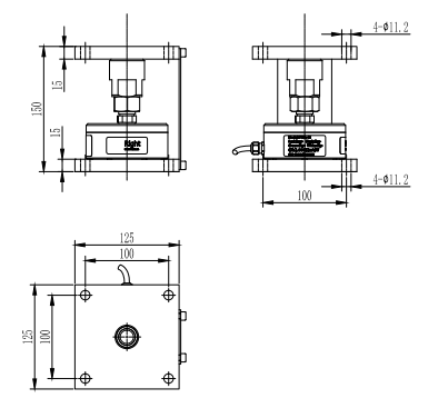
● 选用高精度不锈钢激光焊接密封传感器
● 高度可调
● 综合精度:0.05%F.S
● 防倾覆保护、防过载保护
● 缆长度6m(接受定制)
● 适用与高精度配料、反应釜、力测量平台等
● 提供特制高温款(最高200℃)
● 不锈钢、碳钢两种结构件可选
● 专利产品,仿冒必究
● 应用领域:汽车压装、自动化组装、3C产品测试、新能源产品组装、医疗检测、机器人领域、模具组装及其他工业测试、测量及控制系统

| 额定量程 | 5t | 绝缘电阻 | ≥5000MΩ/100VDC |
输出灵敏度 | 2.0±0.1%mV/V | 激励电压 | 5-12V |
零点输出 | ±3%mV/V | 最大激励电压 | 15V |
| 非线性 | 0.05%F.S. | 温度补偿范围 | -10~40℃ |
| 滞后误差 | 0.05%F.S. | 工作温度范围 | -40-80℃ |
| 重复性 | 0.05%F.S. | 安全超载 | 150%F.S. |
| 蠕变(30分钟) | 0.05%F.S. | 极限超载 | 200%F.S |
| 温度对灵敏度漂移 | 0.05%F.S./10℃ | 保护等级 | IP66 |
| 温度对零点漂移 | 0.05%F.S./10℃ | 电缆尺寸 | φ6-6m |
输入电阻 | 780±20Ω | ||
输出电阻 | 700±10Ω | ||
受力方向 | 接线方式 |
![]() | ![]() |