● 不锈钢材料,长期稳定性好
● 可取代现有转轴,便于安装
● 适用于港口,码头货物计量及启闭机,起吊设备的安全检测
● 尺寸外形可定制
● 应用领域:汽车压装、自动化组装、3C产品测试、新能源产品组装、医疗检测、机器人领域、模具组装及其他工业测试、测量及控制系统

| 额定量程 | 50kN | 绝缘电阻 | ≥2000 MΩ / 100VDC |
| 灵敏度 | 1.015% mV/V | 激励电压 | 10V |
| 零点平衡 | ± 2% F.S. | 最大激励电压 | 15V |
| 非线性 | 0.5% F.S. | 温度补偿范围 | -10~60℃ |
| 滞后误差 | 0.2% F.S. | 工作温度范围 | -20~80℃ |
| 重复性 | 0.2% F.S. | 安全负载 (E L) | 150% F.S. |
| 蠕变(30分钟) | 0.05% F.S. | 破坏负载 (E d) | 300% F.S. |
| 温度对灵敏度漂移 | 0.05% F.S./ 10℃ | 电缆线尺寸 | M12×1--4P |
| 温度对零点漂移 | 0.03% F.S./ 10℃ | 材料 | 不锈钢 |
| 输入电阻 | 750±30 Ω | 单件重量 | 1.8 kg |
| 输出电阻 | 700±10 Ω | 保护等级 | IP67 |
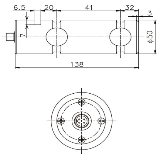
受力方向 | 接线方式 |
![]() | ![]() |