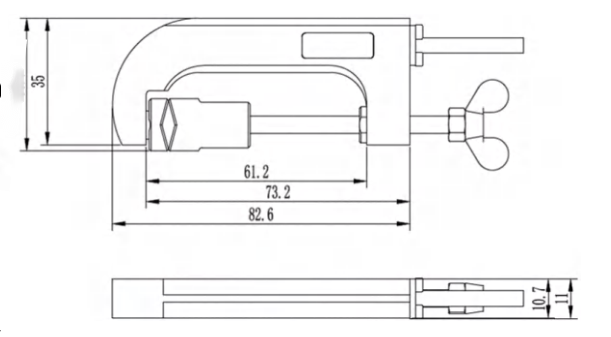
● 高度低,变形量小
● 主要用于材料拉伸及挤压力的测量及其他工业测试、测量及控制系统
● 动态响应频率高
● 专利产品,仿冒必究
● 应用领域:汽车压装、自动化组装、3C产品测试、新能源产品组装、医疗检测、机器人领域、模具组装及其他工业测试、测量及控制系统

参数表
输出灵敏度 | 1.0mV/V | 绝缘电阻 | ≥5000MΩ/100VDC |
零点输出 | ±1%F.S. | 激励电压 | 5-10V |
非线性 | 0.1%F.S. | 最大激励电压 | 15V |
滞后 | 0.1%F.S. | 温度补偿范围 | -10-60℃ |
重复性 | 0.1%F.S. | 工作温度范围 | -30-85℃ |
蠕变(30min | 0.1%F.S. | 安全超载 | 150%F.S. |
温度灵敏度漂移 | 0.05%F.S./10℃ | 极限超载 | 200%F.S. |
零点温度漂移 | 0.05%F.S./10℃ | 电缆线尺寸 | 4x4000mm |
输入电阻 | 350±20Ω | 材料 | (不锈钢) |
输出电阻 | 350±5Ω | 防护等级 | IP66 |
受力方向 | 接线方式 |
![]() | ![]() |