● 电阻应变为敏感元件和集成电路构成的一体产品
● 精度高,性能稳定可靠
● 没有集流环等磨损,可高速长时间运转,输出正反转扭矩信号
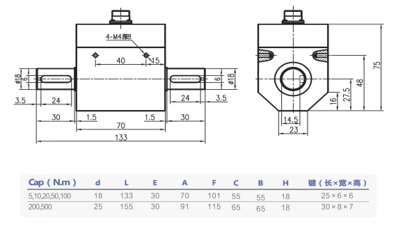
● 两端均为键连接
● 最高转速不超过4000转/分钟
● 应用领域:汽车压装、自动化组装、3C产品测试、新能源产品组装、医疗检测、机器人领域、模具组装及其他工业测试、测量及控制系统

| 额定量程 | 5,10,20,50,100,200,500 N.m | 绝缘电阻 | ≥2000 MΩ / 100VDC |
| 灵敏度 | 1.0~1.5 mV/V | 激励电压 | ±15V |
| 零点平衡 | ± 1% F.S. | 最大激励电压 | 24V |
| 非线性 | 0.2% F.S. | 温度补偿范围 | -10~60℃ |
| 滞后误差 | 0.2% F.S. | 工作温度范围 | -20~60℃ |
| 重复性 | 0.1% F.S. | 安全负载 (E L) | 120% F.S. |
| 蠕变(30分钟) | 0.1% F.S. | 破坏负载 (E d) | 150% F.S. |
| 温度对灵敏度漂移 | 0.05% F.S./ 10℃ | 电缆线尺寸 | 3000m |
| 温度对零点漂移 | 0.05% F.S./ 10℃ | 材料 | |
| 输入电阻 | 350/700±10 Ω | 单件重量 | |
| 输出电阻 | 350/700±10 Ω | 保护等级 | IP66 |
受力方向 | 接线方式 |
![]() | ![]() |