● 静态扭矩传感器;
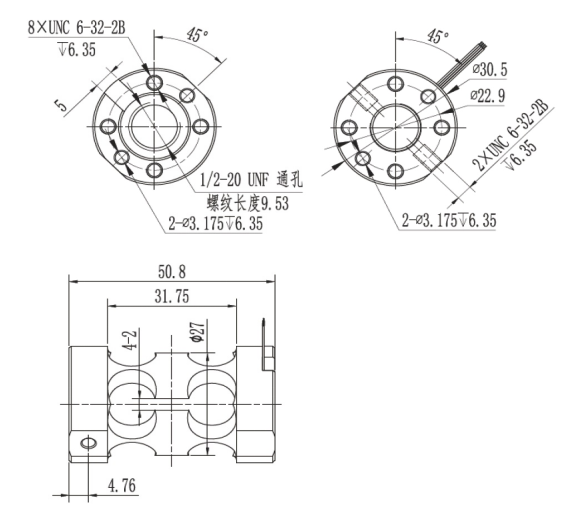
● 结构紧凑、容易安装;
● 防护等级IP65;
● 用于静态、非连续旋转的扭矩值测
● 应用领域:汽车压装、自动化组装、3C产品测试、新能源产品组装、医疗检测、机器人领域、模具组装及其他工业测试、测量及控制系统

| 额定量程 | 0.1,0.3,1.5,3,6,10,12 N.m | 绝缘电阻 | ≥5000 MΩ / 100VDC |
| 输出灵敏度 | ≥0.8 mV/V(0.1~0.3 N.m) ≥1.8 mV/V(1.5 N.m) | 激励电压 | 5~12V |
| 零点平衡 | ± 3% F.S. | 最大激励电压 | 15V |
| 非线性 | 0.2% F.S. | 温度补偿范围 | -10~60℃ |
| 滞后误差 | 0.2% F.S. | 工作温度范围 | -20~80℃ |
| 重复性 | 0.2% F.S. | 安全负载 (E L) | 120% F.S. |
| 蠕变(30分钟) | 0.2% F.S. | 破坏负载 (E d) | 150% F.S. |
| 温度对灵敏度漂移 | 0.05% F.S./ 10℃ | 电缆线尺寸 | |
| 温度对零点漂移 | 0.05% F.S./ 10℃ | 材料 | |
| 输入电阻 | 1000±20 Ω | 单件重量 | |
| 输出电阻 | 1000±10 Ω | 保护等级 | IP65 |
受力方向 | 接线方式 |
![]() | ![]() |