● 稳定性好、抗弯矩强、频率寿命长、静态扭矩传感器;
● 结构紧凑便于安装;
● 防护等级IP65;
● 用于静态、非连续旋转的扭矩值测量,专业的打螺丝机,螺丝拧紧等
● 应用领域:汽车压装、自动化组装、3C产品测试、新能源产品组装、医疗检测、机器人领域、模具组装及其他工业测试、测量及控制系统

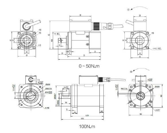
| 额定量程 | 5,10,20,50,100 N.m | 绝缘电阻 | ≥5000 MΩ / 100VDC |
| 额定输出 | -10V ~ +10V | 激励电压 | 24V |
| 零点平衡 | ± 0.05 mV/V | 最大激励电压 | |
| 非线性 | 0.3% F.S. | 温度补偿范围 | -10~60℃ |
| 滞后误差 | 0.3% F.S. | 工作温度范围 | -20~80℃ |
| 重复性 | 0.3% F.S. | 安全负载 (E L) | 150% F.S. |
| 蠕变(30分钟) | 0.3% F.S. | 破坏负载 (E d) | 200% F.S. |
| 温度对灵敏度漂移 | 0.05% F.S./ 10℃ | 电缆线尺寸 | φ5×4000 mm |
| 温度对零点漂移 | 0.05% F.S./ 10℃ | 材料 | 合金钢 |
| 输入电阻 | 780±20 Ω | 受力方向 | 逆时针为正 |
| 输出电阻 | 700±10 Ω | 保护等级 | IP65 |
受力方向 | 接线方式 |
![]() | ![]() |