● 不锈钢材质,稳定性强
● 适用于各种环境,IP68
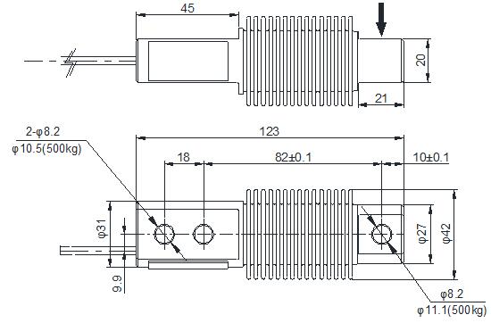
● 主要用于包装秤,料斗秤,各种工业称重系统等
● 应用领域:汽车压装、自动化组装、3C产品测试、新能源产品组装、医疗检测、机器人领域、模具组装及其他工业测试、测量及控制系统

| 额定量程 | 5,10,20,30,50,100,200,500kg | 绝缘电阻 | ≥5000 MΩ / 100VDC |
| 精度等级 | C3 | 激励电压 | 5~15 V |
| 零点输出 | ±2%F.S. | 最大激励电压 | 20 V |
| 非线性 | 0.018% F.S. | 温度补偿范围 | -10〜40℃ |
| 滞后误差 | 0.017% F.S. | 工作温度范围 | -20〜60℃ |
| 重复性 | 0.018% F.S. | 安全负载 (E L) | 150% F.S. |
| 蠕变(30分钟) | 0.0166% F.S. | 破坏负载 (E d) | 200% F.S. |
| 温度对灵敏度漂移 | 0.008% F.S. / 10℃ | 电缆线尺寸 | φ5.4×3.15m |
| 温度对零点漂移 | 0.0125% F.S. / 10℃ | 材料 | 0.5 kg |
| 输入电阻 | 390±5 Ω | 单件重量 (G) | 不锈钢 |
| 输出电阻 | 350±2 Ω | 保护等级 | IP68 |
| 输出灵敏度 | 2.0±0.05mV/V |
受力方向 | 接线方式 |
![]() | ![]() |