● 精度高、抗偏载能力强;
● 容易安装,IP 66;
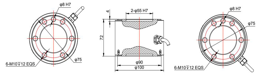
● 可定制规格;
● 用于军工等级的测量;
● 主要应用于大飞机装配,汽车装配及汽车碰撞试验,加工中心精雕加工、医疗设备精密测试。
● 应用领域:汽车压装、自动化组装、3C产品测试、新能源产品组装、医疗检测、机器人领域、模具组装及其他工业测试、测量及控制系统

| 额定量程 | X:10/25/50 Y:10/25/50 Z:25/50/100 | 绝缘电阻 | ≥5000MΩ/ 100VDC |
| 灵敏度 | ≈1.0 mV/V | 激励电压 | 5〜10V |
| 零点平衡 | ±2% F.S. | 最大激励电压 | 15V |
| 非线性 | 0.2%F.S. | 温度补偿范围 | -10~40℃ |
| 滞后误差 | 0.2%F.S. | 工作温度范围 | -20~75℃ |
| 重复性 | 0.2%F.S. | 安全负载 (E L) | 150% F.S. |
| 蠕变(30分钟) | 0.2%F.S. | 破坏负载 (E d) | 300%F.S. |
| 温度对灵敏度漂移 | 0.1%F.S. / 10℃ | 电缆线尺寸 | φ6x3000 mm |
| 温度对零点漂移 | 0.1%F.S. / 10℃ | 材料 | |
| 输入电阻 | 780±20 Ω | 单件重量 (G) | 1.6 Kg |
| 输出电阻 | 700±10 Ω | 保护等级 | IP66 |
受力方向 | 接线方式 |
![]() | ![]() |