● 微型传感器、精度高、带过载保护功能;
● 不锈钢材料;
● 拉压双向;
● 主要用于电脑等各种3C产品按键力测试、各种开关键测试、各种插拔力测试、医疗检测、及其他工业测试
● 动态响应频率高。
● 应用领域:汽车压装、自动化组装、3C产品测试、新能源产品组装、医疗检测、机器人领域、模具组装及其他工业测试、测量及控制系统

| 额定容量 | 1,2.5,5,10,20,50,100,200,300,500N | 输出灵敏度 | 2.0士10%mVN |
| 零点输出 | +0.02mV/ | 非线性 | 0.05%F.S. |
| 滞后 | ±0.05% F.S. | 重复性 | 0.05%F.S. |
蠕变(30min ) | 0.05%F.S. | 温度灵敏度漂移 | 0.05%F.S./10C |
| 零点温度漂移 | 0.05%F.S./10C | 输入电阻 | 350土30Ω |
| 输出电阻 | 350土5Ω | 绝缘电阻 | =5000MΩ/100VDC |
| 激励电压 | 5V | 最大激励电压 | 15V |
| 温度补偿范围 | -10~60°C | 工作温度范围 | -20-80°C |
| 安全载荷 | 150%F.S | 破坏负载 | 300%F.S. |
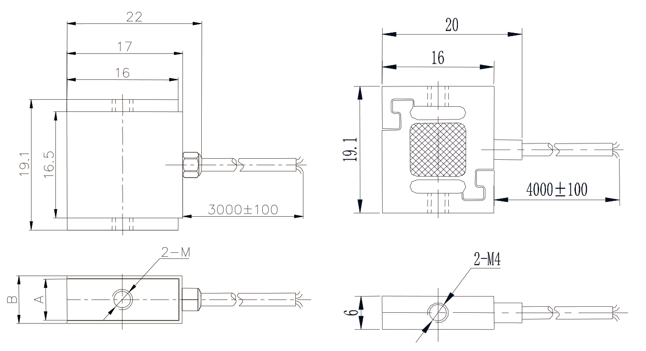
| 电缆线尺寸 | Φ2x4000mm | 单件重量 (G) | 0.1kg |
| 材料 | Stainless Steel(不锈钢) | 防护等级 | IP66 |
受力方向 | 接线方式 |
![]() | ![]() |