● 高度低,变形量小,外形尺寸小;
● 不锈钢材料,可定制高温;
● 防护等级:IP67,可定制;
● 汽车压装、自动化组装、3C产品测试、新能源产品组装、医疗检测、机器人领域,模具组装及其他工业测试、测量及控制系统;
● 动态响应频率高;
● 应用领域:汽车压装、自动化组装、3C产品测试、新能源产品组装、医疗检测、机器人领域、模具组装及其他工业测试、测量及控制系统

| 额定量程 | 10,20,30,50,100KN | 绝缘电阻 | ≥500MΩ/100VDC |
| 输出灵敏度 | 1.3±20%mV/V | 激励电压 | 5-15V |
| 零点平衡 | ±3%F.S. | 最大激励电压 | 15V |
| 非线性 | ±0.2%FS. | 温度补偿范围 | 0-60℃ |
| 滞后误差 | ±0.2%FS. | 工作温度范围 | -10-150℃ |
| 重复性 | ±0.2F.S. | 安全超载 | 150%F.S. |
| 蠕变(30分钟) | ±0.1%FS. | 极限超载 | 200%F.S. |
| 温度对灵敏度漂移 | 0.1%F.S./10℃ | 电缆线尺寸 | φ5X5m |
| 温度对零点漂移 | 0.1%F.S./10℃ | 保护等级 | IP66 |
| 输入电阻 | 380±10Ω | 输出电阻 | 350±5Ω |
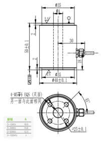
受力方向 | 接线方式 |
![]() | ![]() |