● 高度低、变形量小、外形尺寸小;
● 不锈钢材料;
● 汽车压装、自动化组装、3C产品测试、新能源产品组装、医疗检测、机器人领域、模具组装、及其他工业测试;
● 精度高,长期稳定性好,可靠性好,耐疲劳,使用频率高,蠕变性能好,温度漂移小,动态响应频率高;
● 应用领域:汽车压装、自动化组装、3C产品测试、新能源产品组装、医疗检测、机器人领域、模具组装及其他工业测试、测量及控制系统

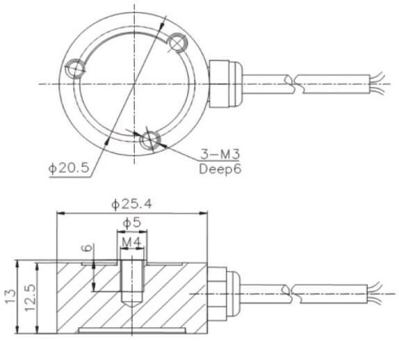
| 额定量程 | 20,50,100,200, 500,1000 N | 绝缘电阻 | ≥5000 MΩ / 100VDC |
| 灵敏度 | 1.5±10% mV/V | 激励电压 | 5~12V |
| 零点平衡 | ±0.05% F.S. | 最大激励电压 | 15V |
| 非线性 | 0.2% F.S. | 温度补偿范围 | -10~40℃ |
| 滞后误差 | 0.2% F.S. | 工作温度范围 | -20~60℃ |
| 重复性 | 0.1% F.S. | 安全负载 (E L) | 150% F.S. |
| 蠕变(30分钟) | 0.2% F.S. | 破坏负载 (E d) | 200% F.S. |
| 温度对灵敏度漂移 | 0.05% F.S./ 10℃ | 电缆线尺寸 | φ3×4000 mm |
| 温度对零点漂移 | 0.05% F.S./ 10℃ | 材料 | 不锈钢 |
| 输入电阻 | 350±20 Ω | 单件重量 (G) | 0.1kg |
| 输出电阻 | 350±10 Ω | 保护等级 | IP66 |
受力方向 | 接线方式 |
![]() | ![]() |